手表表冠的导电帽
Title: Conductive cap for watch crown
Patent No.: US20220043397A1
Application Date: 2021-10-21
Assignee: Apple Inc
Inventors: Colin M. Ely, Sameer Pandya, Steven C. Roach
摘要
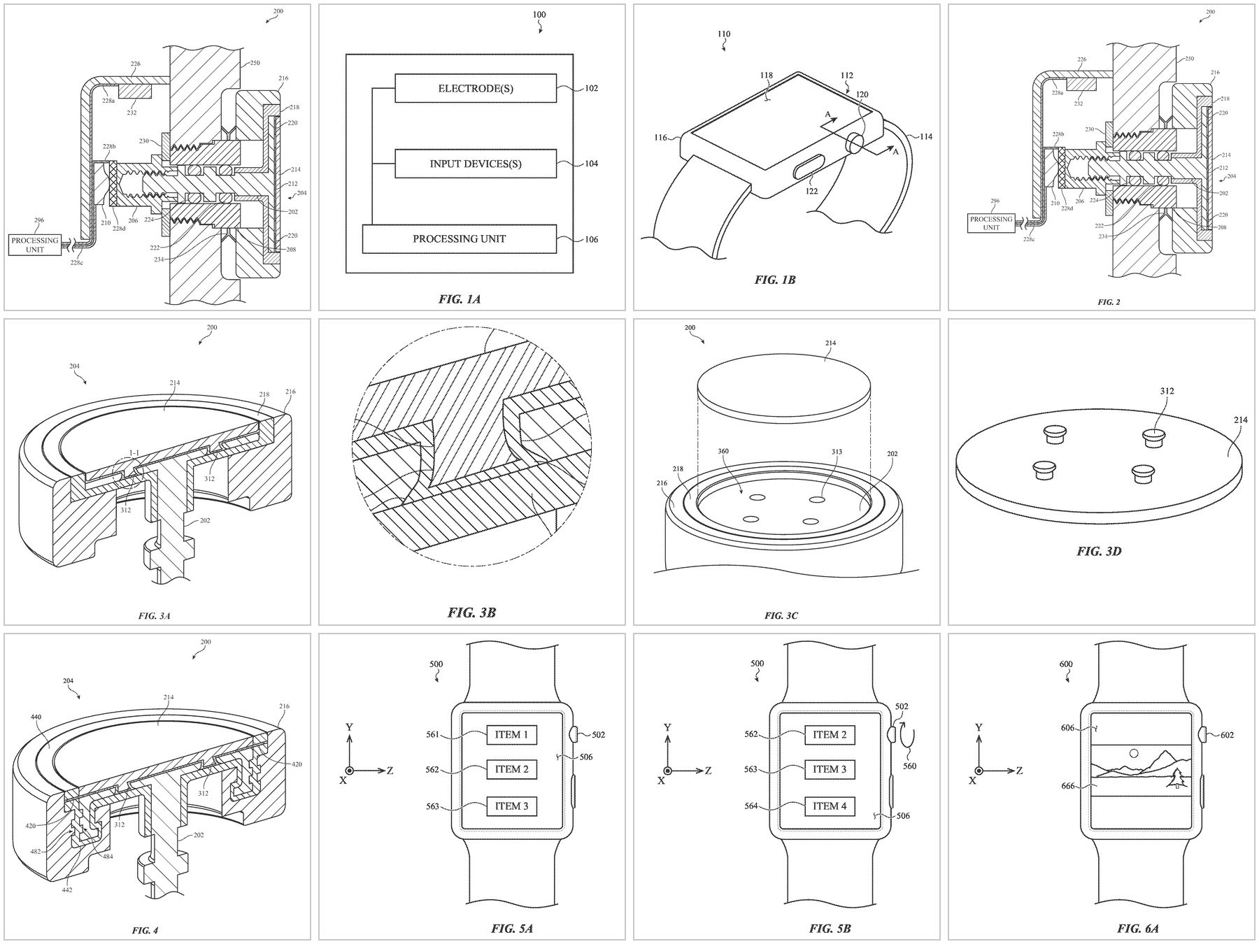
一种电子设备,例如手表,具有一个表冠组件,该组件包括一个轴和一个用户可旋转的表冠。用户可旋转的表冠可包括一个导电帽,该导电帽与轴机械和电连接,并作为电极。导电帽可以通过焊接或其他导电连接机制与轴连接。轴可以将导电帽与电子设备的处理单元电连接。一个或多个额外的电极可以定位在电子设备的外部表面上。导电帽可以被用户的手指接触,同时另一个电极与用户的皮肤接触。电子设备的处理单元可以根据电极上的电压来确定用户的生物参数,例如心电图。

技术领域
可穿戴设备技术领域,具体涉及智能手表表冠组件的机械和电连接技术。
发明背景
传统手表表冠组件通常通过旋转或平移来提供输入,并且可以设计为导电以检测用户的生物参数。然而,使用单一组件形成表冠的外表面和轴会导致材料选择、制造和表面处理过程复杂化。此外,现有技术难以在保证导电性能的同时实现良好的机械连接和外观设计。
发明总览
本发明提出了一种新型智能手表表冠组件设计,通过将导电帽与轴分离并分别制造,解决了传统单一组件设计中的问题。导电帽与轴通过机械互锁和焊接等方式实现机械和电连接,从而保证信号传输的稳定性和可靠性。该设计不仅提高了表冠组件的制造灵活性,还能更好地满足不同材料特性的需求。
核心创新
- 分离式导电帽设计:将导电帽与轴分离,使两者可以采用不同材料制造,例如导电帽采用具有良好导电性和抗腐蚀性的材料,而轴则可选用高强度材料。
- 机械和电连接一体化:通过机械互锁和焊接等方法,实现导电帽与轴的机械和电连接,确保连接的稳固性和电信号的可靠性。
- 互锁结构设计:导电帽上的突起与轴上的孔形成互锁结构,并通过焊接材料填充孔隙,形成牢固的机械连接,防止导电帽在旋转过程中松动。
- 双重隔离设计:在导电帽与表冠主体之间设置隔离组件,减少信号噪声,避免导电帽与设备外壳发生接地现象,从而提高生物参数检测的准确性。
- 可旋转表冠传感器集成:表冠组件中集成了旋转传感器,能够检测用户旋转表冠的动作,并结合导电帽检测到的电压信号,生成用户的心电图。
- 多电极协同工作:设备外壳上的电极与表冠内的电极协同工作,通过检测不同位置的电压信号,实现更准确的生物参数测量,例如心电图。
- 应用场景推测:该技术可应用于智能手表等可穿戴设备中,用于生物特征监测,如心电图测量,为用户提供更便捷和准确的健康监测功能。
Analyzed by Patent Digest System
2026-04-05 12:29